

|
Plage de température
|
-40 ℃~85 ℃
|
|
Plage d’humidité relative
|
5 %~95 %
|
|
Altitude
|
-500 m~﹢5000 m
|
|
Modèle
|
ZGGS40-890PV
|
|
SPD conformément à la norme IEC 61643-11: 2011
|
Class II
|
|
SPD conformément à la norme EN 61643-11: 2012
|
type 2
|
|
Nombre de ports
|
1
|
|
Tension de fonctionnement continue maximale Uc
|
680V AC
|
|
Fréquence de fonctionnement
|
50/60 Hz
|
|
Courant de décharge nominal In (8/20 μs)
|
20 kA
|
|
Courant de décharge maximal Imax (8/20 μs)
|
40 kA
|
|
Fusible de secours maximal
|
80 A gL/gG
|
|
Niveau de protection contre la tension Up
|
3.0 kV
|
|
Mode de connexion
|
gamme à monter sur carte PCB et mise en parallèle
|
|
Mode d'installation
|
gamme à monter sur carte
|
|
Temps de réponse tA
|
≤ 25 ns
|
|
Mode d'alarme de télésignalisation
|
État normal : normalement fermé ; état défaillant : circuit ouvert
|
|
Indication d'état local
|
État normal : vert ; état défaillant : rouge
|
|
Intensité du contact d'alarme de télésignalisation
|
Max 30 V DC, 0.1 A; Min 5 V DC, 0.5mA; 125 V AC, 1 A
|
|
Scénarios d’application
|
À l’intérieur
|
|
Système d’application
|
TN, TT, IT: L-N
|
|
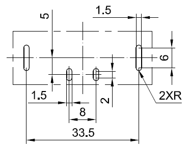
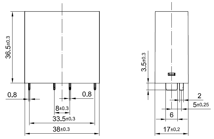
Dimensions extérieures
|
38 mm×36.5 mm×17mm
|
|
Matériaux de l'enveloppe
|
UL94V-0
|
|
SPD conformément à la norme IEC 61643-31: 2018
|
ClassⅡ
|
|
SPD conformément à la norme EN 61643-31: 2019
|
Typ 2
|
|
Tension de fonctionnement continue maximale Ucpv
|
890V DC
|
|
Courant nominal de court-circuit Iscpv
|
1000 A
|
|
Courant de décharge nominal In (8/20 μs)
|
20 kA
|
|
Courant de décharge maximal Imax (8/20 μs)
|
40 kA
|
|
Niveau de protection contre la tension Up
|
3.0 kV
|
|
Temps de réponse tA
|
≤ 25 ns
|
|
Mode de protection
|
+ — -, +/- —PE
|
|
Système d’application
|
Système photovoltaïque
|


IM体育平台
足球外围平台推荐
澳门新葡京在线
体育博彩app
威尼斯人网上赌场