


|
温度範囲
|
-40℃~80℃
|
|
相対湿度範囲
|
5 %~95 %
|
|
標高範囲
|
-500m~﹢4000m
|
|
型号 型式
|
ZGG40-275(3+1)hs
|
ZGG40-320(3+1)hs
|
ZGG40-385(3+1)hs
|
ZGG40-440(3+1)hs
|
|
サージ防護デバイス (SPD) は国家標準
IEC 61643-1に基づく |
Class Ⅱ
|
|||
|
サージ防護デバイス (SPD) は国家標準
EN 61643-11に基づく |
Type 2
|
|||
|
最大連続使用作動電圧 Uc
|
L-N: 275 V AC
N-PE: 260 V AC |
L-N: 320 V AC
N-PE: 260 V AC |
L-N: 385 V AC
N-PE: 260 V AC |
L-N: 440 V AC
N-PE: 260 V AC |
|
動作周波数
|
50/60 Hz
|
|||
|
公称放電電流 In (8/20 μs)
|
20 kA
|
|||
|
最大放電電流 Imax (8/20 μs)
|
40 kA
|
|||
|
電圧保護レベル Up
|
L-N: 1.4 kV
N-PE: 1.5 kV |
L-N: 1.6 kV
N-PE: 1.5 kV |
L-N: 1.8 kV
N-PE: 1.5 kV |
L-N: 2.2 kV
N-PE: 1.5 kV |
|
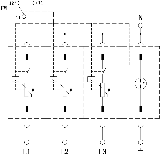
定格続流遮断導通電流Ifi
|
N-PE: 100 Arms
|
|||
|
最大バックアップヒューズ
|
80 A gL/gG
|
|||
|
配線方法
|
並列
|
|||
|
防護モード
|
L-N, N-PE
|
|||
|
応答時間 tA
|
L-N: ≤25 ns; N-PE: ≤100 ns
|
|||
|
配線端子に接続される銅線の断面積
|
多芯線: 1.5 mm2~25 mm2, 単芯線: 1.5 mm2~35 mm2
|
|||
|
遠隔信号インターフェースの最大配線面積
|
1.5 mm2
|
|||
|
遠隔信号警告接点強度
|
AC: 250 V/0.5 A 125 V/1 A DC: 30 V/0.1 A
|
|||
|
トルクトルク: 配線端子/遠隔信号インターフェース
|
2.5 N•m /0.25 N•m
|
|||
|
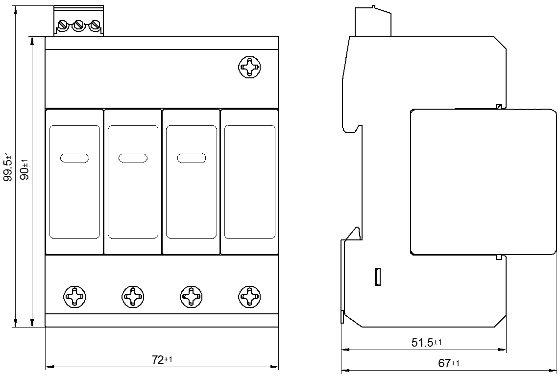
ハウジング保護レベル(コード)
|
IP 20
|
|||
|
アプリケーションシステム
|
TT, TN
|
TT, TN
|
TT, TN
|
TT, TN, IT
|
|
設置形式
|
35 mm 標准的なガイドレール
|
|||
|
難燃グレード
|
UL94 V-0
|
|||


买球app
博彩网址导航
全国快3信誉最好的老平台
威尼斯人赌场app
环球体育