概述
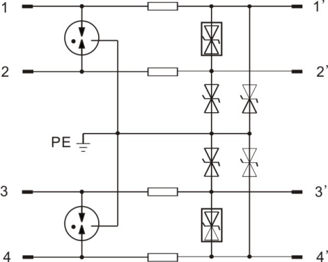
ZGXM-MZ2J-24c 產業用制御インターネット、RS485/422インターフェース、専用回線、自動制御・計装回線、データ回線、電話機器やファックスなどの機器の保護に使用されます。2段階保護方式を採用し、前段が電流を排出し、後段が電圧をクランプします。伝送回線が雷誘導やサージ衝撃を受けた場合、雷電流やサージ電流をサージ防護デバイスを通じて大地に放電し、雷やサージの過電圧を機器の許容範囲内にクランプするため、機器の安全を確保します。
特徴
この製品は高い放電容量、速い応答速度(ns)、オンラインホットプラグ机能、小型サイズ、低い保護レベルという特徴を持っています。端子接続方式を採用し、簡単に標準レールを設置できます。
執行標準
GB/T 18802.21
使用環境
| 温度範囲 |
-40 ℃~85 ℃ |
| 相対湿度範囲 |
≤90% ( 25℃ ) |
| 標高範囲 |
4000 m 以下 |
技術指標
| 型式 |
ZGXM-MZ2J-24c |
| 衝撃カテゴリ |
C2 and D1 |
| 動作電圧 |
24 V |
| 最大連続使用作動電圧 |
33 VDC |
| 定格電流 |
1 A |
| 公称放電電流 8/20 μs |
10 kA |
| 総放電電流 8/20μs |
20 kA |
| インパルス衝撃放電電流10/350μs |
1 kA |
| 電圧保護レベル(8/20μs) |
L-L |
55 V |
| L-PE |
600 V |
| 電圧保護レベル (1kV/μs) |
L-L |
45 V |
| L-PE |
300 V |
| 每线串联电阻 |
1.0 ohms |
| カットオフ周波数 |
7.8M Hz |
| 電気容量 |
≤1.0 nF |
| 保護対象フット |
2 対のワイヤ ( 1, 2; 3, 4 ) |
| プレス範囲 |
0.2 mm2 to 4 mm2 |
| ハウジング材料 |
PA66 |
| インターフェースタイプ |
配線端子 |
| トルクトルク:配線端子 |
0.5 Nm |
| カラー |
RAL 7035 |
| ハウジング保護レベル |
IP20 |
| 難燃グレード |
UL94 V-0 |
回路原理模式図