



|
温度範囲
|
-40℃~80℃
|
|
相対湿度範囲
|
5%~95%
|
|
標高範囲
|
-500m~﹢4000m
|
|
型式
|
ZGG30-750(3+0)
|
|
サージ防護デバイス(SPD)は国家標準IEC 61643-1に基づく
|
Class Ⅱ
|
|
サージ防護デバイス(SPD)は国家標準EN 61643-11に基づく
|
Type 2
|
|
最大連続使用作動電圧 Uc
|
750 V
|
|
動作周波数
|
50/60 Hz
|
|
公称放電電流 In (8/20 μs)
|
15 kA
|
|
最大放電電流 Imax (8/20 μs)
|
30 kA
|
|
電圧保護レベル Up
|
3.0 kV
|
|
最大バックアップヒューズ
|
100 A gL/gG
|
|
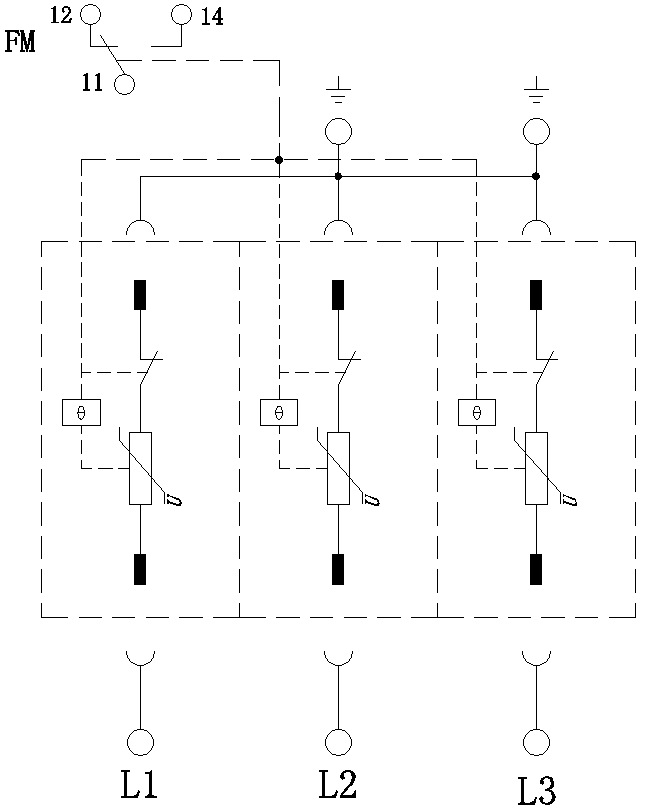
配線方法
|
並列
|
|
防護モード
|
L-PEN
|
|
応答時間 tA
|
≤25 ns
|
|
配線端子に接続される銅線の断面積
|
多芯線: 1.5 mm2~25 mm2
単芯線: 1.5 mm2~35 mm2 |
|
遠隔信号インターフェースの最大配線面積
|
1.5 mm2
|
|
遠隔信号警告接点強度
|
AC: 250 V/0.5 A 125 V/1 A DC: 30 V/0.1 A
|
|
トルクトルク: 配線端子/遠隔信号インターフェース
|
2.5 N•m /0.25 N•m
|
|
ハウジング保護レベル (コード)
|
IP 20
|
|
アプリケーションシステム
|
TN-C
|
|
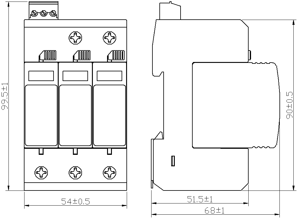
外形寸法
|
90 mm×54 mm×68 mm ( 遠隔信号端子含まれない)
|
|
設置形式
|
35 mm 標准的なガイドレール
|
|
難燃グレード
|
UL94 V-0
|


博彩平台大全
在线体育博彩
365bet平台
正规买球
澳门银河博彩官方网站