概述
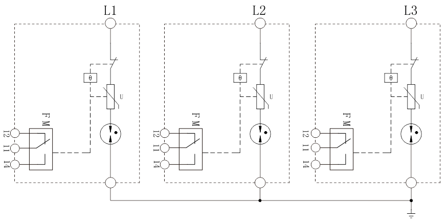
電源モジュールサージ防護デバイス「ZGGH12.5-760T」の3セットで構成され、低電圧交流配電システムに適用され、交流電源と機器の間に並列接続されます。外部(落雷、電磁波障害など)またはシステム内部(システムのインプット・アウトプット効果、誘導性負荷と容量性負荷の起動、停止など)のサージインパルスと機器への瞬時過電圧による影響を効果的に防ぎます。
特徴
1. 高放電容量、低残留電圧を達成します。
2. 過熱保護機能があります。
3. 故障表示と集中遠隔信号警報ドライ接点があります。
4. 続流突入電流 、漏れ電流はありません。
執行標準
IEC 61643-11: 2011; EN 61643-11: 2012
使用環境
| 温度範囲 |
-40℃~80℃ |
| 相対湿度範囲 |
5%~95% |
| 標高範囲 |
-500m~﹢4000m |
技術指標
| 型式 |
ZGGH12.5-760(3+0)T |
| サージ防護デバイス(SPD)は国家標準IEC 61643-1に基づく |
ClassⅠ |
| サージ防護デバイス(SPD)は国家標準EN 61643-11に基づく |
Type 1 |
| 最大連続使用作動電圧 Uc |
760 V AC |
| 動作周波数 |
50/60 Hz |
| インパルス衝撃放電電流 Iimp (10/350 μs) |
12.5 kA |
| 比エネルギー W/R |
39 kJ/Ω |
| 電圧保護レベル Up |
3.5 kV |
| 最大バックアップヒューズ |
160 A gL/gG |
| 配線方法 |
並列 |
| 防護モード |
L-PE (N) |
| 応答時間 tA |
≤ 100 ns |
| 配線端子に接続される銅線の断面積 |
多芯線: 1.5 mm2~25 mm2
単芯線: 1.5 mm2~35 mm2 |
| 遠隔信号インターフェースの最大配線面積 |
1.5 mm2 |
| 遠隔信号警告接点強度 |
AC: 250 V/0.5 A 125 V/1 A DC: 30 V/0.1 A |
| トルクトルク: 配線端子/遠隔信号インターフェース |
2.5 N•m /0.25 N•m |
| ハウジング保護レベル (コード) |
IP 20 |
| アプリケーションシステム |
TN-C, TT, IT |
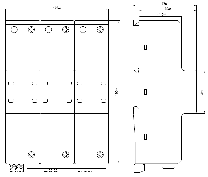
| 外形寸法 |
150 mm×108 mm×67 mm (遠隔信号端子含まれない) |
| 設置形式 |
35 mm 標准的なガイドレール |
| 難燃グレード |
UL94 V-0 |
回路原理模式図