概述
ZGG40-1000(2+1)PV 直流電源システムまたは太陽光発電システムに並列接続され、太陽光発電所のインバーターの保護レベル2の保護デバイスとして使用されます。内蔵のバリスタを保護デバイスとして使用すると同時に、過熱や過電流防止用の安全解除機構を内蔵しています。これにより、製品が故障した際、直流アークを安全に消弧し、製品が燃えるなどの事故が起きないようにしています。サージがない場合、サージ防護デバイス(SPD)は高いインピーダンスを持っています。サージ電流と過電圧が発生すると、SPDは≦25nsの速度で応答し、インピーダンスを連続的に削減し、SPD両端の電圧を低いレベルに制限することで、雷過電圧(直撃雷過電圧、誘導雷過電圧など)、操作過電圧(電気装置内のあらゆるスイッチの操作、故障の開始・中止などによる過電圧)、一時的過電圧(低圧配電システムの故障、コンデンサーの作動、モーターのシャットダウンや起動などによる過電圧)による機器の損傷を防ぎます。
特徴
1. プラグインモジュールは逆プラグ防止機能。
2. 高放電容量、低残留電圧、高安全性と高信頼性を達成します。
3. 過熱保護機能があります。
4. 故障表示と集中遠隔信号警報ドライ接点があります。
5. ハウジングの保護レベルはIP 20、難燃グレードはUL 94 V-0です。
執行標準
EN 50539-11: 2013
使用環境
| 温度範囲 |
-40 ℃~80 ℃ |
| 相対湿度範囲 |
5%~95% |
| 標高範囲 |
-500 m~﹢4000 m |
技術指標
| 型式 |
ZGG40-1000(2+1)PV |
| サージ防護デバイス (SPD) は国家標準EN 50539-11: 2013 に基づく |
Type 2 |
| 過負荷特性モード |
開回路モード |
| 最大連続使用作動電圧 Uc |
1200 V DC |
| 定格短絡電流 ISCPV |
1 kA |
| 公称放電電流 In (8/20 μs) |
20 kA |
| 最大放電電流 Imax (8/20 μs) |
40 kA |
| 電圧保護レベル Up |
4.0 kV |
| 残留電流 IPE |
DC: ≤ 20 μA; AC: ≤ 500 μA |
| 配線方法 |
並列 |
| 防護モード |
+ — -、+/- — PE |
| 応答時間 tA |
≤ 25 ns |
| 配線端子に接続される銅線の断面積 |
多芯線: 1.5 mm2~25 mm2
単芯線: 1.5 mm2~35 mm2 |
| 遠隔信号インターフェースの最大配線面積 |
1.5 mm2 |
| 遠隔信号警告接点強度 |
AC: 250 V/0.5 A 125 V/1 A DC: 30 V/0.1 A |
| トルクトルク: 配線端子/遠隔信号インターフェース |
2.5 N•m /0.25 N•m |
| ハウジング保護レベル (コード) |
IP 20 |
| アプリケーションシステム |
太陽光発電システム |
| 外形寸法 |
90 mm×54 mm×67 mm (遠隔信号端子含まれない) |
| 設置形式 |
35 mm 標准的なガイドレール |
| 難燃グレード |
UL94 V-0 |
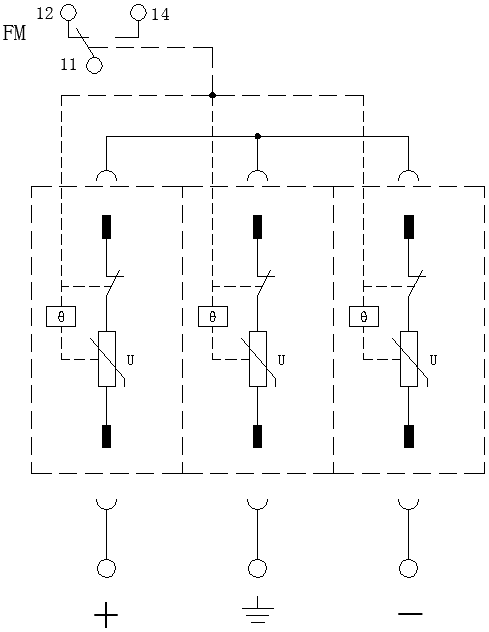
回路原理模式図
外観構造