概述
金属酸化物バリスタ(MOV)、難燃性ハウジングと金属部品で構成された電源モジュールサージ防護デバイスは、主に低電圧給電・配電システムと電力装置の保護レベル3の保護デバイスとして使用され、プリント基板(PCB)オンボード方式を採用し、難燃性、過電流・過加熱保護、遠隔信号警報などの機能を持っています。
特徴
小型サイズ、高い放電容量、速い応答速度、続流電流なし、遠隔信号警報機能付き。
執行標準
IEC 61643-11: 2011; EN 61643-11: 2012; UL1449 Ed.4
使用環境
| 温度範囲 |
-40 ℃~85 ℃ |
| 相対湿度範囲 |
5%~95% |
| 標高範囲 |
-500 m~﹢3000 m |
技術指標
| 型式 |
ZGGS20-60f |
| サージ防護デバイス (SPD) は国家標準 IEC 61643-11: 2011 に基づく |
Class II |
| サージ防護デバイス (SPD) は国家標準 EN 61643-11: 2012 に基づく |
Type 2 |
| ージ防護デバイス (SPD) は標準 UL 1449 に基づく |
Type 4 |
| ポート数 |
1 |
| 最大連続使用作動電圧 Uc |
80 V DC |
60 V AC |
| 公称放電電流 In (8/20 μs) |
10 kA |
| 最大放電電流 Imax (8/20 μs) |
20 kA |
| 電圧保護レベル Up |
≤ 400 V |
| 配線方法 |
PCB搭載並列 |
| 防護モード |
+ — -, +/- — PE |
| 応答時間 tA |
≤ 25 ns |
| 遠隔信号警告接点強度 |
30 V DC, 0.1 A; 125 V AC, 1 A |
| ハウジング保護レベル (コード) |
IP 20(設置後) |
| 応用シーン |
屋内 |
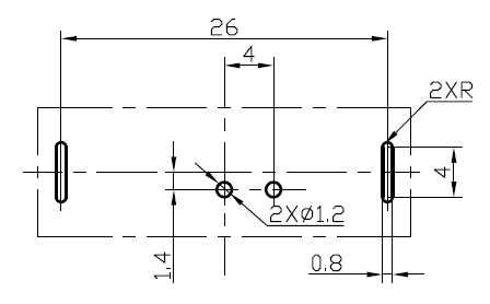
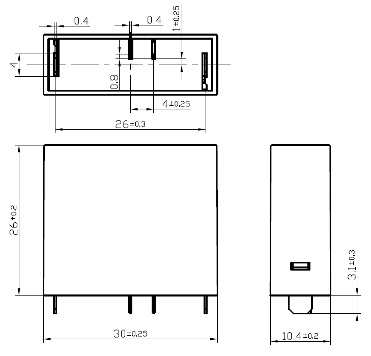
| 外形寸法 |
30 mm×10.4 mm×26 mm |
| 難燃グレード |
UL94 V-0 |
回路原理模式図