皇冠体育

皇冠体育博彩
제품
 
 
개요
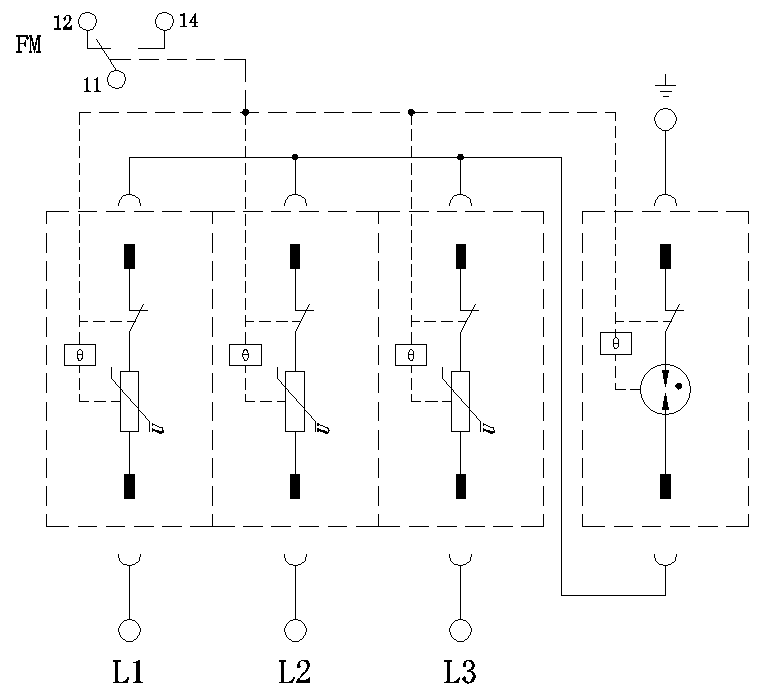
ZGG40-850(3+1)f 금속산화물바리스터(MOV)형 전원 모듈, 가스 방전관형 전원 모듈 및 베이스로 구성되며, 각각 L-N, N-PE 간의 Class 2 보호에 사용됩니다.

특징
1. 플러그인 모듈은 역삽입 및 오삽 방지 기능을 갖춤.
2. 통전 용량이 크고 잔류 전압이 낮음.
3. 과열 보호 기능 탑재.
4. 고장 표시 및 원격 통합 경보용 무전압 접점 지원.
5. 외함 방호 등급: IP20, 난연 등급: UL 94 V-0.

적용 기준
 IEC 61643-11: 2011; EN 61643-11: 2012

사용 환경
온도 범위 -40℃~80℃
상대 습도 범위 5%~95%
해표고도 -500m~﹢4000m
기술 지표
모델명 ZGG40-850(3+1)f
IEC 61643-1에 따른 SPD (서지보호장치) Class Ⅱ
EN 61643-1에 따른 SPD (서지보호장치) Type 2
최대연속사용전압 Uc 850 V AC
작동 주파수 50/60 Hz
정격 방전 전류 In (8/20 μs) 20 kA
최대 방전 전류 Imax (8/20 μs) 40 kA
전압보호레벨 Up  4.0 kV
최대 백업 퓨즈 80 A gL/gG 
접속 방식 병렬
보호 모드 L-PE
응답 시간 tA ≤ 100 ns
단자에 연결되는 구리선의 단면적 다심선: 1.5 mm2~25 mm2; 단심선: 1.5 mm2~35 mm2
원격신호 인터페이스 최대 배선 면적 1.5 mm2
원격신호 경보 접점 강도 AC: 250 V/0.5 A   125 V/1 A    DC: 30 V/0.1 A
토크: 단자 / 원격신호 인터페이스 2.5 N•m /0.25 N•m
외함 보호등급 (코드) IP 20
외형 치수 90 mm×72 mm×68 mm (원격신호 단자제외)
설치 형식 35 mm 표준 DIN 레일
난연 등급 UL94 V-0
 
회로 원리 개요도                                                                      
외형 구조

威尼斯人网上赌场 澳门新葡京赌场 bet365亚洲官网 bwin中国官网 十大网络赌博网站排行