개요
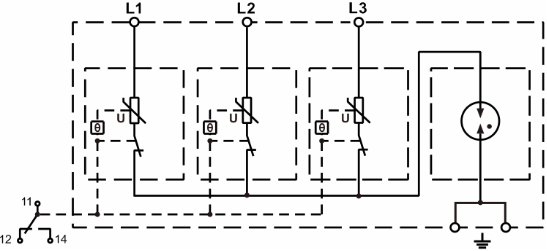
ZGG30-1260(3+1)Zf 금속산화물바리스터 모듈과 가스 방전관 모듈로 구성되며, L-PE 보호 모드를 갖습니다. 본 전원 모듈 서지보호장치는 저압 교류 배전 시스템에 적용되며, 교류 전원과 시스템 장비 사이에 병렬 설치되어 외부(낙뢰, 전자기 간섭 등) 또는 내부(개폐 작용, 유도성/용량성 부하의 작동 등) 요인으로 발생하는 서지 및 과도 과전압으로부터 장비를 보호합니다.
특징
1. 통전 용량이 크고 잔류 전압이 낮음.
2. 과열 보호 기능 탑재.
3. 고장 표시 및 원격 통합 경보용 무전압 접점 지원.
4. 외함 방호 등급: IP20, 난연 등급: UL 94 V-0.
적용 기준
IEC 61643-11: 2011; EN 61643-11: 2012
사용 환경
| 온도 범위 |
-40℃~80℃ |
| 상대 습도 범위 |
5%~95% |
| 해표고도 |
-500m~﹢4000m |
기술 지표
| Modèle |
ZGG30-1260(3+1)Zf |
| IEC 61643-1에 따른 SPD (서지보호장치) |
Class Ⅱ |
| EN 61643-1에 따른 SPD (서지보호장치) |
Type 2 |
| 최대연속사용전압 Uc |
1260 V AC |
| 작동 주파수 |
50/60 Hz |
| 标정격 방전 전류 In (8/20 μs) |
15 kA |
| 최대 방전 전류 Imax (8/20 μs) |
30 kA |
| 총 방전 전류 ITotal (8/20 μs) |
100 kA |
| 서지 절연파괴 전압 (1kV/ us) |
≥ 2.2 kV |
| 전압보호레벨 Up |
5 kV |
| 최대 백업 퓨즈 |
63 A gL/gG |
| 접속 방식 |
병렬 |
| 보호 모드 |
L-PE |
| 응답 시간 tA |
≤ 100 ns |
| 단자에 연결되는 구리선의 단면적 |
다심선: 1.5 mm2~25 mm2; 단심선: 1.5 mm2~35 mm2 |
| 원격신호 인터페이스 최대 배선 면적 |
1.5 mm2 |
| 원격신호 경보 접점 강도 |
AC: 250 V/0.5 A 125 V/1 A DC: 30 V/0.1 A |
| 토크: 단자 / 원격신호 인터페이스 |
2.5 N•m /0.25 N•m |
| 외함 보호등급 (코드) |
IP 20 |
| 외형 치수 |
144 mm×90 mm×65.5 mm (원격신호 단자제외) |
| 설치 형식 |
35 mm 표준 DIN 레일 |
| 난연 등급 |
UL94 V-0 |