개요
ZGGH20-275 본 제품은 전원 모듈 헤드와 베이스로 구성되어 있으며, 교류 시스템의 L-N、L/N-PE 회로에 대한 Class 2 또는 Class 3 보호에 사용됩니다. 교류 시스템 장비 사이에 직렬 또는 병렬로 설치되어, 낙뢰, 전자기 방해 등의 외부 요인이나 스위치 작동, 유도성 및 용량성 부하의 기동 및 정지 등 내부 요인으로 인해 발생하는 서지 펄스 및 순간 과전압으로부터 장비를 보호합니다.
특징
1. 플러그인 모듈은 역삽입 방지 기능을 갖추고 있습니다.
2. 잔류 전압이 낮음.
3. 과열 보호 기능 탑재.
4. 고장 표시 및 원격 통합 경보용 무전압 접점 지원.
적용 기준
IEC 61643-1: 2005; UL 1449 Ed.4
사용 환경
| 온도 범위 |
-40℃~80℃ |
| 상대 습도 범위 |
5%~95% |
| 해표고도 |
-500m~﹢4000m |
기술 지표
| 모델명 |
ZGGH20-275 |
| IEC 61643-1에 따른 SPD (서지보호장치) |
Class Ⅱ, Class Ⅲ |
| EN 61643-1에 따른 SPD (서지보호장치) |
Type 2, Type 3 |
| 최대연속사용전압 Uc |
275 V AC |
| 정격 방전 전류 In (8/20 μs) |
10 kA |
| C최대 방전 전류 Imax (8/20 μs) |
20 kA |
| Ⅱ급 전압보호레벨 Up |
L-N: 1.5 kV; L/N-PE: 1.8 kV |
| Ⅲ급 전압보호레벨 Up |
L-N: 1.5 kV; L/N-PE: 1.5 kV |
| 복합파 Uoc |
20 kV |
| 제한 전압 (6kV 1.2/50 μs, 3kA 8/20 μs) |
L-N: 1.1 kV; L/N-PE: 1.1 kV |
| 정격 부하 전류 IL |
25 A |
| 최대 백업 퓨즈 |
25 A gL/gG |
| 접속 방식 |
직렬, 병렬 |
| 보호 모드 |
L-N; L/N-PE |
| 응답 시간 tA |
L-N: ≤ 25 ns; L/N-PE: ≤ 100 ns |
| 단자에 연결되는 구리선의 단면적 |
다심선: 0.2 mm2~2.5 mm2; 단심선: 0.2 mm2~4 mm2 |
| 원격신호 인터페이스 최대 배선 면적 |
2.5 mm2 |
| 원격신호 경보 접점 강도 |
AC: 250 V/0.75 A 125 V/3 A DC: 30 V/2 A |
| 토크: 단자 / 원격신호 인터페이스 |
1.0 N•m |
| 외함 보호등급 (코드) |
IP 20 |
| 적용 시스템 |
TN, TT |
| 외형 치수 |
90 mm×18 mm×69 mm (원격신호 단자제외) |
| 설치 형식 |
35 mm 표준 DIN 레일 |
| 난연 등급 |
UL94 V-0 |
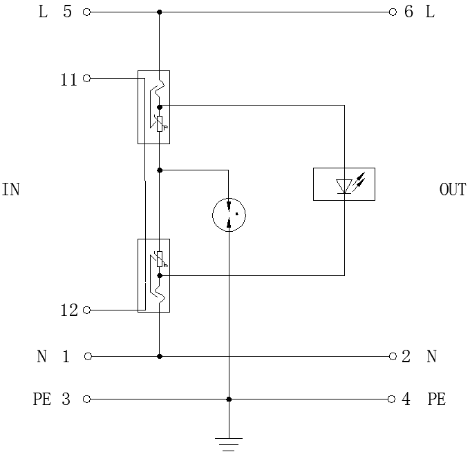
회로 원리 개요도
외형 구조