개요
전원 모듈 서지보호장치는 저압 전력 배전 시스템 및 전기 장비의 Class 3 보호용으로, MOV, 난연 하우징, 금속 부품으로 구성되며 PCB 온보드 설치 방식으로 장착됩니다. 난연, 과전류·과열 보호, 원격 신호 경보 기능을 제공합니다.
특징
소형 구조, 대전류 통과 가능, 빠른 응답 속도, 연속 전류 없음, 원격 경보 기능 지원.
적용 기준
IEC 61643-11: 2011; EN 61643-11: 2012; UL1449 Ed.4
사용 환경
| 온도 범위 |
-40 ℃~85 ℃ |
| 상대 습도 범위 |
5%~95% |
| 해표고도 |
-500 m~﹢3000 m |
기술 지표
| 모델명 |
ZGGS20-60f |
| IEC 61643-11: 2011 에 따른 SPD (서지보호장치) |
Class II |
| EN 61643-11: 2012 에 따른 SPD (서지보호장치) |
Type 2 |
| UL 1449에 따른 SPD (서지보호장치) |
Type 4 |
| 포트 수량 |
1 |
| 최대연속사용전압 Uc |
80 V DC |
60 V AC |
| 정격 방전 전류 In (8/20 μs) |
10 kA |
| 최대 방전 전류 Imax (8/20 μs) |
20 kA |
| 전압보호레벨 Up |
≤ 400 V |
| 접속 방식 |
PCB 온보드 병렬 |
| 보호 모드 |
+ — -, +/- — PE |
| 응답 시간 tA |
≤ 25 ns |
| 원격신호 경보 접점 강도 |
30 V DC, 0.1 A; 125 V AC, 1 A |
| 외함 보호등급 (코드) |
IP 20 (설치 후) |
| 적용 장소 |
실내 |
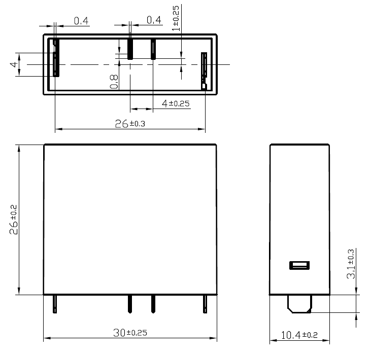
| 외형 치수 |
30 mm×10.4 mm×26 mm |
| 난연 등급 |
UL94 V-0 |
회로 원리 개요도
외형 구조
외형 구조
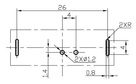
PCB 개공 참고도